Серия 3.407-131
Скачать Серия 3.407-131 Выпуск 1. Рабочие чертежи. Номер документа: 3.407-131. Вид документа: Типовая серия (Проектная документация). Принявший орган: Минэнерго СССР. Дата принятия: 16 июля 1979. Нормы, правила, стандарты и законодательство по техрегулированию. Типовая проектная документация.
Серия 3.407-102.1
Скачать: Типовой проект 3.407-82. Размер: 15.40 MB — Скачали: 3885. Сообщить о потерянном файле.
Нет комментариев, В виде ленты, В виде дерева. Это позволит вам просматривать документы в любом браузере не скачивая.
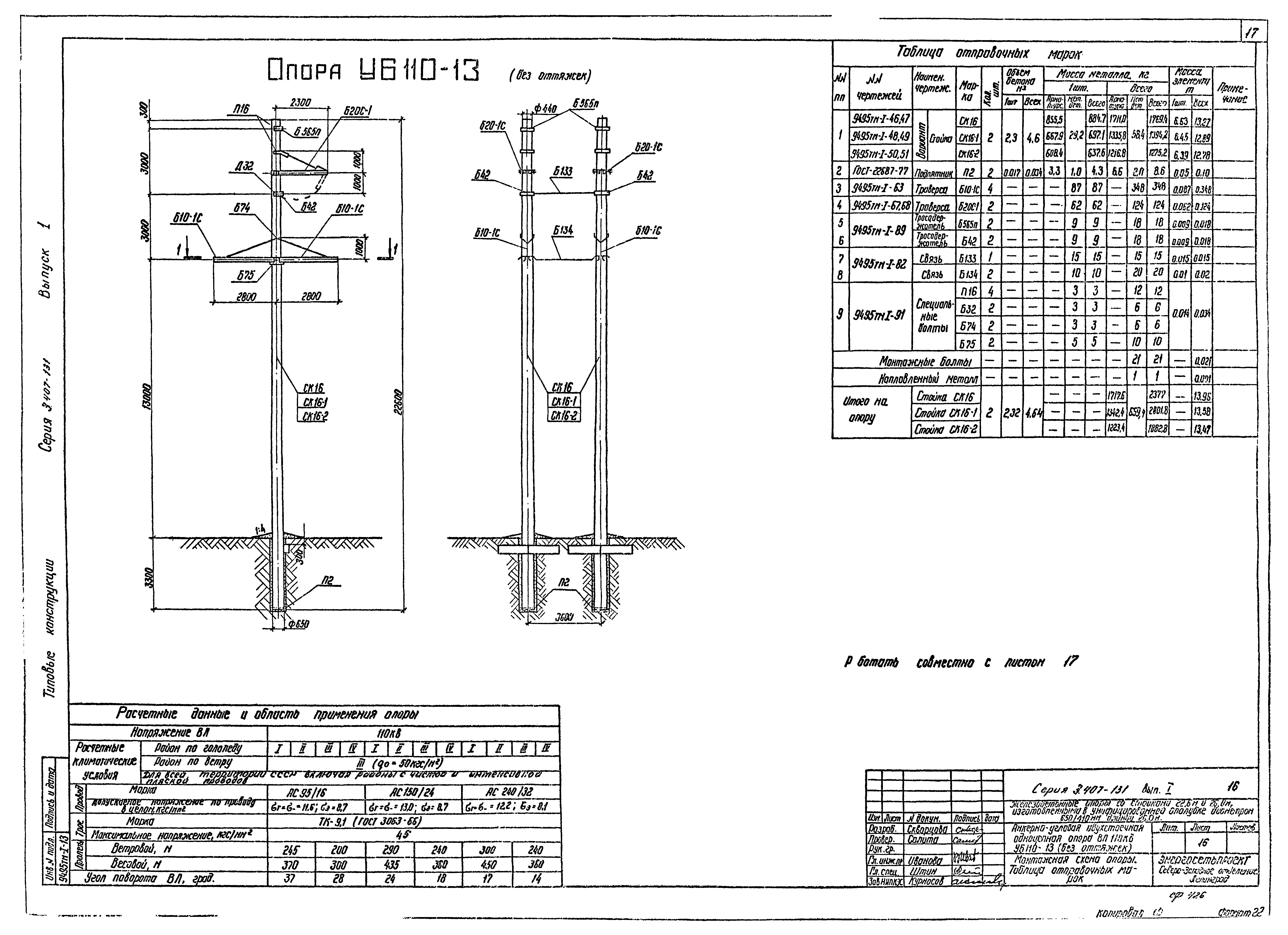
Серия 3.407-131 (9495тм-т1) Железобетонные опоры со стойками 22,6 м и 26,0 м, изготовленными. По поставке металических конструкций. Чертежа монтажной схемы-11520ТМ-Т1. Масса опоры по черт.
КМ без цинка. Унифицированные промежуточные металлические опоры П35-1Н, П35-2Н, ПС35-2Н, ПС35-4Н производятся согласно типового проекта № 5778тм-т3, П35-1, П35-1Т, П35-1У.
Библиотека типовых проектов ООО Электропоставка. Скачать бесплатно: Типовой проект. Типовой проект: 11520тм-т1. Описание: промежуточная.
Новинки Библиотеки Скачать бесплатно госты, типовые проекты, справочники по энергетике Скачать: Типовой проект 3.407-82. Размер: 15.40 MB — Скачали: 3885. Сообщить о потерянном файле. Нет комментариев, В виде ленты, В виде дерева.
8312-ПЗ ЛЭП 110 кВ для выдачи мощности Калиниградской ТЭЦ-2. Пояснительная записка. А, случаем, не знаете, где можно скачать ТОМ 8 к серии 3.407-68/73? Евро трек симулятор 2 моды. Можно еще серию 11520тм-т.1. Унифицированные анкерно-угловые металлические опоры У35-1, У35-2 производятся согласно. Типовой проект: 11520тм-т1.

Описание: промежуточная. Новинки Библиотеки Скачать бесплатно госты, типовые проекты, справочники по энергетике Опоры ЛЭП – производство и поставка. Всегда в наличии железобетонные и металлические опоры, стойки, фундаменты, кабельно-проводниковая продукция и прочие изделия для ремонта и строительства линий. Вы не можете создавать темы Вы не можете создавать опросы Вы не можете прикреплять файлы Не подскажите где можно скачать остальные тома?
Серия 3.407-108

Или хотя бы т.9 (промежуточные стальные опоры)? Инструкция медработника предрейсового осмотра водителей. К сожалению, это тоже не подходит. Можно еще серию 11520тм-т.1.
Серия 3.407-107
Серия 3.407-131 Железобетонные опоры со стойками 22,6 м и 26,0 м, изготовленными в унифицированной опалубке диаметром 650/410 мм длиной 26,0 м Крупнейшая бесплатная информационно-справочная система онлайн доступа к полному собранию технических нормативно-правовых актов РФ. Огромная база технических нормативов ( более 150 тысяч документов) и полное собрание национальных стандартов, аутентичное официальной базе Госстандарта. это более 1 Терабайта бесплатной технической информации для всех пользователей интернета. Все электронные копии представленных здесь документов могут распространяться без каких-либо ограничений. Поощряется распространение информации с этого сайта на любых других ресурсах. Каждый человек имеет право на неограниченный доступ к этим документам!
Серия 3.407-115 Вып.2
Каждый человек имеет право на знание требований, изложенных в данных нормативно-правовых актах!
